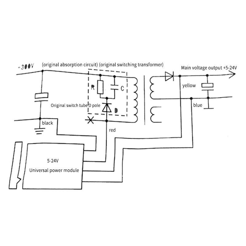
5-24V universal power module LCD TV universal module

outline green truck icon
Guaranteed to get by 14 Apr
Get a ₱50 voucher if your order arrives late.
service entrance icon
Free & Easy Returns